【计量泵产品介绍】
高压柱塞计量泵适用于石油、化工、化肥工业作为流程用泵,冶金、轧钢厂的高压水除鳞、建筑、造船、制糖、造纸、化工等工业的高压水清洗除垢,油田注水zhidao,锅炉给水,液压机械的动力源,以及食品、制药等需要产生高压液体的部分,输送介质为无固体颗粒的流体。
高压柱塞泵包括高压三柱塞泵,此泵全部为卧式,它比立式更稳、振动小内、装拆、维修方便。也叫三缸泵,具有均匀的流量,压力脉动也相应减小。

【产品性能参数】
泵推力:2500kg
泵行程:75mm
泵重量:1500kg
| 3ZH75型三柱塞高压泵性能参数表 | ||||||||||||||||
| 柱塞直径(mm) | 70 | 62 | 54 | 50 | 44 | 38 | 30 | 28 | 24 | 20 | 16 | 12 | ||||
| 工作压力(MPa) | 4 | 8 | 10 | 12 | 16 | 20 | 30 | 40 | 50 | 70 | 100 | 140 | ||||
| 泵转速(min | 流量(L/min、M3/h)、理论电机功率(kw) | |||||||||||||||
| 90 | L/min | 77.9 | 61.1 | 46.4 | 39.7 | 30.8 | 23 | 14.3 | 12.5 | 9.2 | 6.4 | 4.1 | 2.3 | |||
| M | 3 | /h | 4.7 | 3.7 | 2.8 | 2.4 | 1.8 | 1.4 | 0.9 | 0.7 | 0.5 | 0.4 | 0.2 | 0.1 | ||
| KW | 6 | 10 | 9 | 10 | 10 | 9 | 9 | 10 | 9 | 9 | 8 | 6 | ||||
| 110 | L/min | 95.2 | 74.7 | 56.7 | 48.6 | 37.6 | 28.1 | 17.5 | 15.2 | 11.2 | 7.8 | 5 | 2.8 | |||
| M | 3 | /h | 5.7 | 4.5 | 3.4 | 2.9 | 2.3 | 1.7 | 1 | 0.9 | 0.7 | 0.5 | 0.3 | 0.2 | ||
| KW | 8 | 12 | 11 | 12 | 12 | 11 | 10 | 12 | 11 | 11 | 10 | 8 | ||||
| 130 | L/min | 112.5 | 88.3 | 67 | 57.4 | 44.5 | 33.2 | 20.7 | 18 | 13.2 | 9.2 | 5.9 | 3.3 | |||
| M | 3 | /h | 6.7 | 5.3 | 4 | 3.4 | 2.7 | 2 | 1.2 | 1.1 | 0.8 | 0.5 | 0.4 | 0.2 | ||
| KW | 9 | 14 | 13 | 14 | 14 | 13 | 12 | 14 | 13 | 13 | 12 | 9 | ||||
| 140 | L/min | 121.2 | 95.1 | 72.1 | 61.8 | 47.9 | 35.7 | 22.3 | 19.4 | 14.2 | 9.9 | 6.3 | 3.6 | |||
| M | 3 | /h | 7.3 | 5.7 | 4.3 | 3.7 | 2.9 | 2.1 | 1.3 | 1.2 | 0.9 | 0.6 | 0.4 | 0.2 | ||
| KW | 10 | 15 | 14 | 15 | 15 | 14 | 13 | 16 | 14 | 14 | 13 | 10 | ||||
| 200 | L/min | 17.3 | 135.8 | 103 | 88.3 | 68.4 | 51 | 31.8 | 27.7 | 20.3 | 14.1 | 9 | 5.1 | |||
| M | 3 | /h | 10.4 | 8.1 | 6.2 | 5.3 | 4.1 | 3.1 | 1.9 | 1.7 | 1.2 | 0.8 | 0.5 | 0.3 | ||
| KW | 14 | 22 | 21 | 21 | 22 | 20 | 19 | 22 | 20 | 20 | 18 | 14 | ||||
| 280 | L/min | 242.3 | 190.1 | 144.2 | 123.6 | 95.7 | 71.4 | 44.5 | 38.8 | 28.5 | 19.8 | 12.7 | 7.1 | |||
| M | 3 | /h | 14.5 | 11.4 | 8.6 | 7.4 | 5.7 | 4.3 | 2.7 | 2.3 | 1.7 | 1.2 | 0.8 | 0.4 | ||
| KW | 19 | 30 | 29 | 30 | 31 | 29 | 27 | 31 | 28 | 28 | 25 | 20 | ||||
| 350 | L/min | 302.9 | 237.6 | 180.3 | 154.5 | 119.7 | 89.3 | 55.6 | 48.5 | 35.6 | 24.7 | 15.8 | 8.9 | |||
| M | 3 | /h | 18.1 | 14.2 | 10.8 | 9.3 | 7.2 | 5.3 | 3.3 | 2.9 | 2.1 | 1.5 | 0.9 | 0.5 | ||
| KW | 24 | 38 | 36 | 37 | 38 | 36 | 33 | 39 | 36 | 35 | 32 | 25 | ||||
| 400 | L/min | 206 | 176.6 | 136.8 | 102 | 63.6 | 55.4 | 40.7 | 28.3 | 18.1 | 10.2 | |||||
| M | 3 | /h | 12.3 | 10.6 | 8.2 | 6.1 | 3.8 | 3.3 | 2.4 | 1.7 | 1.1 | 0.6 | ||||
| KW | 41 | 42 | 44 | 41 | 38 | 44 | 41 | 40 | 36 | 28 | ||||||
| 450 | L/min | 231.8 | 198.7 | 153.9 | 114.8 | 71.5 | 62.3 | 45.8 | 31.8 | 20.3 | 11.4 | |||||
| M | 3 | /h | 13.9 | 11.9 | 9.2 | 6.9 | 4.3 | 3.7 | 2.7 | 1.9 | 1.2 | 0.7 | ||||
| KW | 46 | 48 | 49 | 46 | 43 | 50 | 46 | 45 | 41 | 32 | ||||||
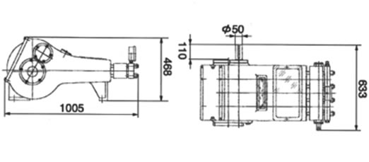
【外形尺寸】

![]()
联系电话:13645232770(孙总)微信同号
联系电话:18952323880(陈总)
公司地址:淮安市清河区深圳东路118-1号15号厂房
